vodapro.ru                           монтаж систем отопления


Звоните с 9.00 до 20.00
8 (495) 644-66-93
Адрес офиса
Москва, 12-й проезд Марьиной Рощи, 8, стр. 2
Пишите
о компании        отопление       модули       монтаж       котельная       наши работы       контакты
основная навигация  
    Главная страница  |   Тепловые модули  |   20-40 кВт. Нано

   
   
   
   
   
   
   
   
   
   


последние работы

Посёлок Костино
Загородный дом 300м2

обустроенные системы подробнее

Посёлок Буньково
Частный дом 420м2

проектирование и обустройство систем отопления подробнее

Микрорайон Расторгуево

котел и бойлер косвенного нагрева «Viessmann» подробнее

    В каталог наших работ
Компания ВодаПро официальный дилер
отопительного оборудования SIME
На сайт SIME
 

Системы отопления НАНО от 684€ до 1970€

Управляющие тепловые модули 20-40 кВт

для 2-3-х потребительских групп 3/4" мощностью по 15-20 кВт

ГидроЛОГО!
Серия термогидравлических модулей, с проточным кольцевым коллектором общей мощностью до 40 кВт, мощностью на группу до 20 кВт. Модули серии НАНО рекомендуются для применения с котлами, требующими обеспечения необходимой циркуляции через котел. Обычно это малоемкостные настенные котлы с легкими теплообменниками. Циркуляция в таких котлах должна создается встроенным котловым насосом.

Гидромодули НАНО одновременно обеспечивают самый компактный возможный монтаж в своем классе коллекторов до 40 кВт и являются полностью готовым собранным (гидравлика + автоматика) техническим решением.

При ручном управлении в электрическом боксе размещены АЗС (Автоматы Защиты Сети), через которые напряжение попадает на управляемые нагрузки (насосы, сервомоторы и т.д.). Размыкая АЗС, можно обесточить управляемый элемент с целью управления или для проведения сервисных работ.

ПРИО
Система отопления НАНО
Приорететное управление означает, что в электробоксе собрана недорогая релейная схема приоритета ГВС (горячего водоснабжения), которая обеспечивает временную приостановку всех (или части) потребителей, кроме насоса ГВС, для ускорения процесса нагрева воды в бойлере, а также вырабатывает сигнал на включение котла по запросам потребителей.

Автоматическое погодное управление узлами выполнено на контроллерах Кромшрёдер (Элстер) Е8.0324 и Е8.0634. Модули укомплектованы всеми необходимыми для работы температурными датчиками, в т.ч. уличным датчиком, а также датчиком температуры в помещении. Для реализации дополнительных нестандартных возможностей контроллера, модули могут докомплектовываться дополнительными датчиками помещений и доп.групп. Управление ориентировано на изменение уличной температуры, а также на комнатную температуру и их сочетание. Контроллеры расчитаны на решение задач по управлению радиаторным отоплением, нагреву теплых полов, ГВС, включением котлов. Управление и мониторинг через GSM и Интернет можно осуществлять с помощью комплектов серии GSM-Monitor, они позволяют дистанционно изменять режимы (комфортный/экономный) отопления, вести журнал событий на удаленном Интернет-сайте, записывать температурные графики (тренды), а также получать обычные SMS сообщения о «тревогах» на удаленной котельной.

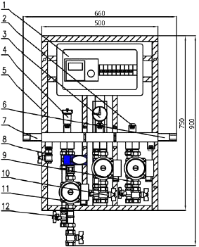
Система отопления НАНОМодуль «Элемент-3» смонтирован на несущей стальной раме 500х750 мм (общие габариты 660х900 мм) и представляет собой готовый трехконтурный гидроузел для быстрого и удобного монтажа энергосберегающей котельной индивидуального жилого дома с теплопотреблением 20-40 кВт.

Модуль оснащен двумя (или одной) насосно-смесительными группами, одним (или двумя) прямым насосным контуром и встроенной автоматикой погодозависимого управления. Сервоприводы и датчики подключены к контроллеру. Температурные графики, временные программы и параметры контуров 1 и 2 индивидуальны. К модулю следует присоединить котел со своим насосом, бойлер-водонагреватель косвенного нагрева системы горячего водоснабжения (ГВС), с сопутствующей арматурой, контур радиаторного отопления (СО), контур напольного отопления (ТП), расширительный бак системы отопления.

Принцип работы

Теплоноситель циркулирует в первичном кольце, образованном коллектором и котлом под действием насоса котла.

Отбор теплоносителя каждым потребителем происходит по ходу циркуляции теплоносителя: сначала высокотемпературными контурами (ГВС и СО), потом – низкотемпературными (ТП). Теплоноситель от котла может подаваться справа или слева, в зависимости от варианта исполнения модуля. Это определяет положение прямых и обратных патрубков потребителей.

Отбор тепла на ГВС, СО и ТП происходит под управлением контроллера в соответствии с выбранным при настройке типом приоритета ГВС («жесткий», «мягкий», «параллельная работа» и т.д.) и значениями настроек для отопительных контуров (желаемое значение комнатной температуры, зависимость температуры теплоносителя от температуры на улице).

 
  1. Монтажный бокс контроллера и АЗС потребителей
  2. Гильза датчика температуры теплоносителя
  3. Манометр
  4. Воздухоотводчик
  5. Несущая стальная рама
  6. Патрубок подачи (от котла)
  7. Патрубок обратки (в котел)
  8. Сливной кран
  9. Насосная группа контура ГВС
  10. Насосная группа
  11. Насосно-смесительная группа
  12. Датчик температуры теплоносителя

Подключаемое внешнее оборудование:

  1. Котел
  2. Насос котла/коллектора
  3. Расширительный бак
  4. Узел подпитки
  5. Бойлер - Водонагреватель

 Технические характеристики и расчет цены готового модуля с учетом опций и требуемой конфигурации системы отопления для котельной до 40 кВт

Габариты изделия (в*ш*г) 900*660*250 (мм)
Масса
не более 30 кг
Питание ~220 В, 50 Гц
Количество групп потребителей 3 шт
Состав насосно-смесительной группы:
а) линейный клапан Honeywell V5833C
б) сервомотор Honeywell M6410L  или MUT V3  180/180/220/OO
в) насос Wilo RS 15-6/3
Состав прямой насосной группы:
Насос Wilo RS 15-6/3
Автоматика управления а) цифровой контроллер KS E8.0634 (324) - управление ступенями горения, горячим водоснабжением, 2-мя контурами отопления,  недельное программирование, датчик комнатной температуры.
Рабочее давление до 3 Бар
Испытательное давление 6 Бар
Потребляемая электрическая мощность (без учёта внешнего оборудования) не более 0,5 кВт
Патрубки присоединения котла 1
Патрубки присоединения потребителей ¾
Тип крепления рамы
На стену

Комплектация модуля предусматривает:

  • рама
  • коллектор
  • монтажный бокс
  • автоматы защиты
  • манометр
  • воздухоотводчик
  • отсечная и соединительная арматура

Вариативно:

  • насосная группа 
  • насосно-смесительная группа
  • пусковые реле

Опционно:

  • цифровой контроллер KROM SCHRODER KS E8.0624



При ручном управлении €684
Релейный приоритет ГВС €774

При ручном управлении €769
Релейный приоритет ГВС €859



При ручном управлении €831
Релейный приоритет ГВС €921


При ручном управлении €922
Управление цифровым контроллером KROM SCHRODER KS E8.0324 €1670


Управление цифровым контроллером KROM SCHRODER KS E8.0634 €1970
 



Добавить систему дистанционного контроля-управления отоплением через интернет и мобильный телефон €590

 Инженеры Компании ВодаПро особо ценят нестандартные изысканные схемы, предоставляющие возможность приложения не только старания, но и возбуждающие полушарие мозга, отвечающие за логику.

Внимание! Некоторые варианты развития исполнительной схемы (дополнительные контуры, работа каскада котлов) требуют и усложнения в управлении, применение иного контроллера или нескольких контроллеров, общающихся по шине, использование иных насосов, арматуры, сервоприводов. Однако применение дополнительных комплектующих приводит и к возрастанию стоимости конкретного заказа. Справедливости ради, мы готовы предложить и "бюджетные" варианты, позволяющие удешивить комплектацию.




Последние наши работы по монтажу отопления




Логотип компании ВодаПро

© 2007 компания ВодаПро
Все права защищены

Монтаж систем отопления загородных домов
Москва, 12-й проезд Марьиной Рощи, 8, стр. 2
Тел/факс: +7-495-644-66-93
E-mail:

 
основные разделы сайта

Выбор системы отопления
Как собрать котельную
Отопление на твердом топливе
Отопление на электричестве
Реконструкция котельных
Отопление загородного дома
Готовые тепловые модули
Фото наших работ
Контактная информация
тепловые модули

Модули на 20-40 кВт
Модули на 30-50 кВт
Модули на 40-60 кВт
Модули на 60-100 кВт
Модули на 80-130 кВт
Модули на 100-180 кВт

Яндекс.Метрика